
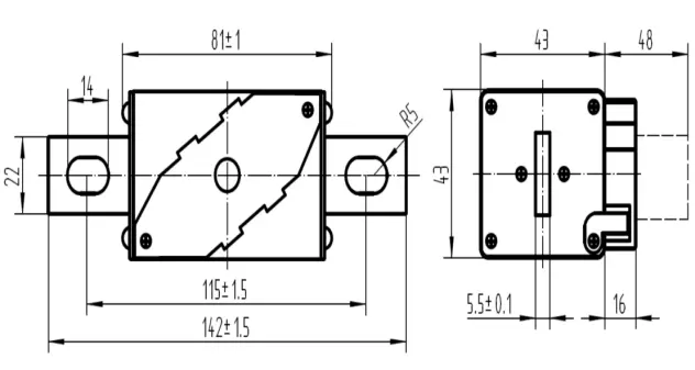
FEATURE
Rated voltage:DC1000-1200V
Rated current:35A-800A
Protection:aR
Breaking Capacity :AC100kA、DC50kA
Certificates:TUV ,CE ,CCC
Compliance:RoHS
Conform to IEC60269,environmentally ISO8820,JASO D622and GB/T31465
APPLICATION
It’s suitable for short-circuit, overload, and back-up protection in electric vehicle high-voltage power distribution boxes (PDU), manual service disconnect switches (MSD), battery packs (PACK), wiring, and other automotive components and equipment.
TECHNICAL PARAMETERS
|
NO.
|
Model
|
Rated current(A) |
I²t(A²s)焦耳积分 |
Power(W) |
Dimension
|
Installation
|
|
|
Pre Arc |
Fuse |
||||||
|
1 |
GFZ-35A |
35 |
106 |
213 |
4 |
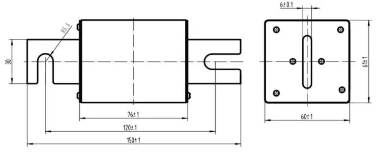
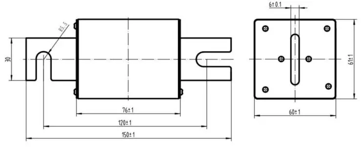
A1 |
Bolt M8; Suggested Torque 12N.m |
|
2 |
GFZ-40A |
40 |
170 |
355 |
7 |
||
|
3 |
GFZ-50A |
50 |
329 |
749 |
8 |
||
|
4 |
GFZ-63A |
63 |
587 |
1155 |
10 |
||
|
5 |
GFZ-80A |
80 |
918 |
1389 |
12 |
||
|
6 |
GFZ-100A |
100 |
1323 |
2483 |
17 |
||
|
7 |
GFZ-125A |
125 |
2358 |
3885 |
19 |
A2 |
Bolt M8 Suggested Torque 12N.m |
|
8 |
GFZ-160A |
160 |
3695 |
5597 |
24 |
||
|
9 |
GFZ-200A |
200 |
6265 |
9980 |
31 |
||
|
10 |
GFZ-225A |
225 |
8124 |
11800 |
34 |
A3 |
Bolt M10 Suggested Torque 21N.m |
|
11 |
GFZ-250A |
250 |
12082 |
15638 |
37 |
||
|
12 |
GFZ-275A |
275 |
14110 |
18600 |
42 |
||
|
13 |
GFZ-300A |
300 |
18132 |
26515 |
45 |
||
|
14 |
GFZ-325A |
325 |
18132 |
26515 |
47 |
||
|
15 |
GFZ-350A |
350 |
23496 |
51131 |
52 |
||
|
16 |
GFZ-400A |
400 |
29576 |
76745 |
57 |
||
|
17 |
GFZ-450A |
450 |
37100 |
89418 |
65 |
A4 |
Bolt M10 Suggested Torque 28N.m |
|
18 |
GFZ-500A |
500A |
41200 |
93428 |
72 |
||
|
19 |
GFZ-600A |
600A |
49230 |
99700 |
83 |
||
|
20 |
GFZ-700A |
700A |
52101 |
125165 |
95 |
||
|
21 |
GFZ-800A |
800A |
56202 |
121550 |
102 |
||
STRUCTURE EXAMPLE
(A1)

(A2)

(A3)

(A4)

CHARACTERISTIC CURVE
Pre-Arc Time and prospective current

Peak let-through current


FEATURE
Rated voltage:DC1000V/AC1250V
Rated current:32A~1200A
Breaking Capacity :AC100kA、DC50kA
Protection:aR
RoHS Compliance
TVU CCC,CE Certified
Conform to IEC60269,environmentally ISO8820,JASO D622and GB/T31465
APPLICATION
This product is a busbar bolt-on connection type fast-acting fuse. It features Compact size ,Low melting I²t value, High breaking capacity ,Resistance to current surges ,Withstands intense mechanical vibration and shock Tolerates ,wide temperature range fluctuations Resists, strong chemical exposure.
It’s Suitable for short-circuit, overload, and backup protection in EV charging piles EV variable frequency controllers Wiring and other vehicle components.
TECHNICAL PARAMETERS
|
NO. |
Model |
Rated current(A) |
I²t(A²s)焦耳积分 |
Power(W) |
Installation
|
|
|
Pre Arc |
Fuse |
|||||
|
1 |
GFP-O-32A |
32 |
55 |
425 |
14 |
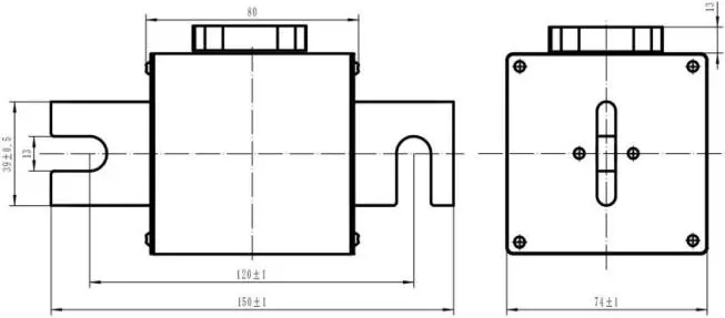
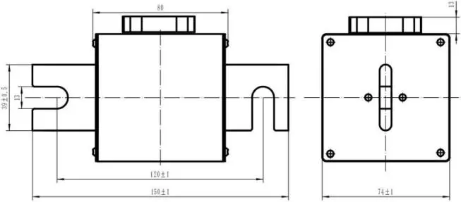
Figure A1 Bolt M10 ; Suggested Torque: 21N.m |
|
2 |
GFP-O-63A |
63 |
220 |
1700 |
20 |
|
|
3 |
GFP-O-80A |
80 |
420 |
3300 |
26 |
|
|
4 |
GFP-O-100A |
100 |
760 |
5800 |
30 |
|
|
5 |
GFP-O-160A |
160 |
1850 |
15000 |
45 |
|
|
6 |
GFP-O-200A |
200 |
3600 |
29800 |
50 |
|
|
7 |
GFP-O-250A |
250 |
7700 |
61000 |
58 |
|
|
8 |
GFP-O-315A |
315 |
14800 |
118000 |
64 |
|
|
9 |
GFP-O-350A |
350 |
19000 |
160000 |
70 |
|
|
10 |
GFP-O-400A |
400 |
29820 |
230000 |
75 |
|
|
11 |
GFP-O-450A |
450 |
32576 |
256240 |
76 |
Figure A2,Bolt M10 ;Suggested Torque 21N.m |
|
12 |
GFP-O-500A |
500 |
37576 |
276745 |
87 |
|
|
13 |
GFP-O-550A |
550 |
42000 |
299428 |
95 |
|
|
14 |
GFP-g-630A |
630 |
57500 |
326810 |
100 |
Figure A3,Bolt M10; Suggested Torque 26N.m |
|
15 |
GFP-g-700A |
700 |
67132 |
406515 |
105 |
|
|
16 |
GFP-g-800A |
800 |
71082 |
466380 |
115 |
|
|
17 |
GFP-g-900A |
900 |
87132 |
506515 |
125 |
Figure A4,Bolt M12 ;Suggested Torque 45N.m |
|
18 |
GFP-g-1000A |
1000 |
103496 |
531131 |
130 |
|
|
19 |
GFP-g-1200A |
1200 |
127576 |
576745 |
147 |
|
STRUCTURE EXAMPLE
A1

A2

A3

A4

CHARACTERISTIC CURVE
Pre-Arc Time and prospective current

Peak let-through current

OEM is available; for other models of fuses, please feel free to contact us.