
FEATURE
Rated voltage:DC700-750V
Rated current:35A-800A
Protection:aR
Breaking Capacity :AC100kA、DC50kA
Certificates:TUV ,CE ,CCC
Compliance:RoHS
Conform to IEC60269,environmentally ISO8820,JASO D622and GB/T31465
APPLICATION
It’s suitable for short-circuit, overload, and back-up protection in electric vehicle high-voltage power distribution boxes (PDU), manual service disconnect switches (MSD), battery packs (PACK), wiring, and other automotive components and equipment.
TECHNICAL PARAMETERS
|
NO.
|
Model
|
Rated current(A) |
I²t(A²s) |
Power(W |
Dimension
|
Installation
|
|
|
Pre Arc |
Fuse |
||||||
|
2 |
GFZ-35A |
35 |
106 |
213 |
4 |
A1 |
Bolt M8; Suggested Torque 12N.m |
|
3 |
GFZ-40A |
40 |
170 |
355 |
7 |
||
|
4 |
GFZ-50A |
50 |
329 |
749 |
8 |
||
|
5 |
GFZ-63A |
63 |
587 |
1155 |
10 |
||
|
6 |
GFZ-80A |
80 |
918 |
1389 |
12 |
||
|
7 |
GFZ-100A |
100 |
1323 |
2483 |
17 |
A2 |
Bolt M10; Suggested Torque 21N.m |
|
8 |
GFZ-125A |
125 |
2358 |
3885 |
19 |
||
|
9 |
GFZ-160A |
160 |
3695 |
5597 |
24 |
||
|
10 |
GFZ-200A |
200 |
6265 |
9980 |
31 |
||
|
11 |
GFZ-250A |
250 |
12082 |
15638 |
35 |
||
|
12 |
GFZ-315A |
315 |
18132 |
26515 |
45 |
||
|
13 |
GFZ-350A |
350 |
23496 |
51131 |
50 |
||
|
14 |
GFZ-400A |
400 |
29576 |
76745 |
57 |
||
|
15 |
GFZ-450A |
450 |
37100 |
89418 |
65 |
A3 |
Bolt M10; Suggested Torque 28N.m |
|
16 |
GFZ-500A |
500A |
41200 |
93428 |
72 |
||
|
17 |
GFZ-600A |
600A |
49230 |
99700 |
83 |
||
|
18 |
GFZ-700A |
700A |
52101 |
125165 |
95 |
||
|
19 |
GFZ-800A |
800A |
56202 |
121550 |
102 |
||
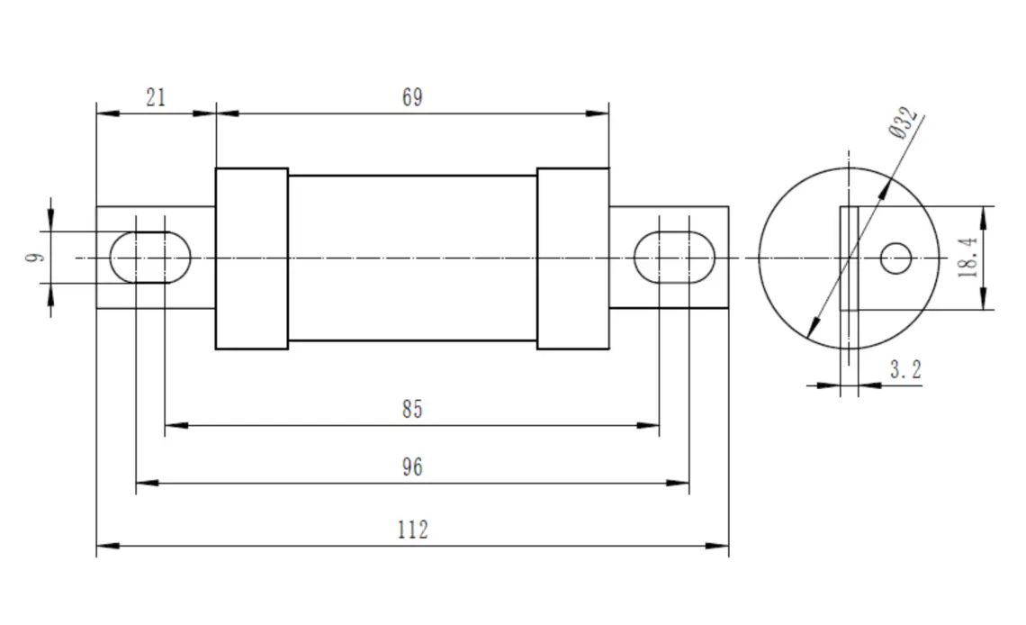
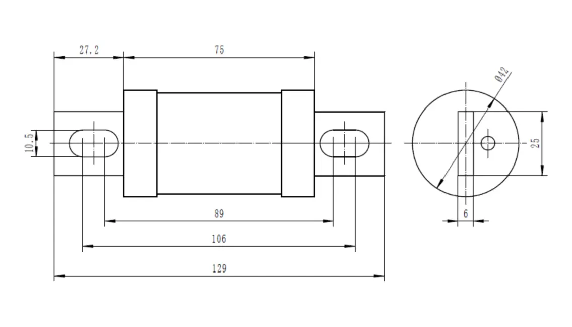
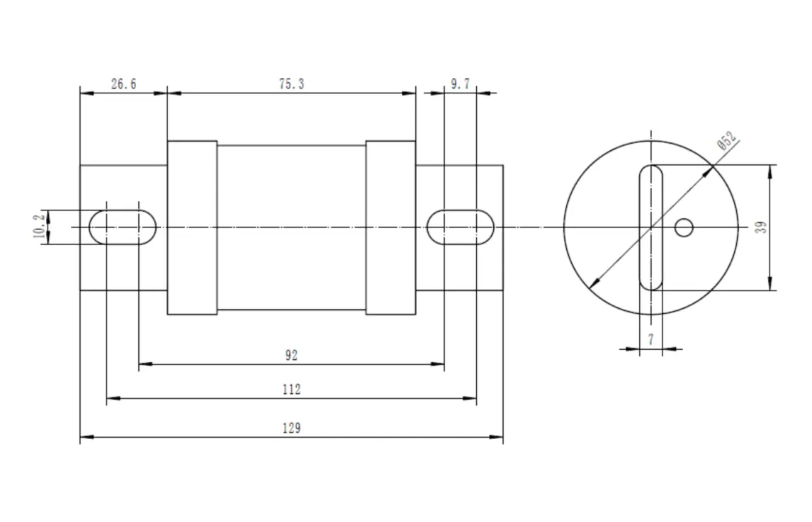
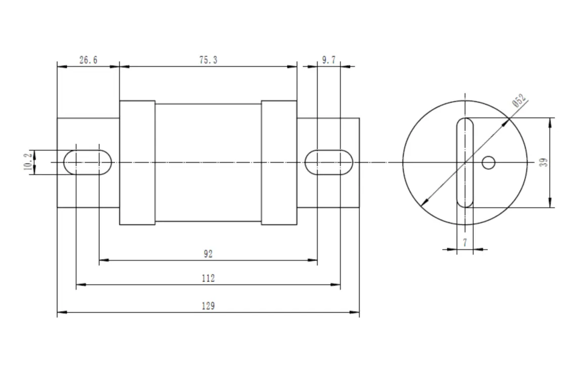
STRUCTURE EXAMPLE
A1

A2

A3

CHARACTERISTIC CURVE
Pre-Arc Time and prospective current

Peak let-through current

OEM is available; for other models of fuses, please feel free to contact us.